
微阻缓闭消声止回阀
技术规范:
产品型号:HH44X
公称压力:PN1.0~2.5MPa
公称通径:DN40~800mm
适用介质:水、弱腐蚀性液体
适用温度:0~80℃(如需要,可达200℃)
法兰标准:GB/T 17241.6 GB/T 9113
试验标准:GB/T 13927 AP1598

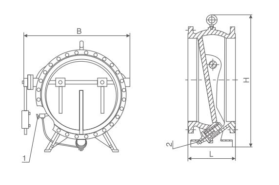
HH44X微阻缓闭止回阀主要外形连接尺寸
DN(mm) | 40 | 50 | 65 | 80 | 100 | 125 | 150 | 200 | 250 | 300 | 350 | 400 | 450 | 500 | 600 | 700 | 800 |
H | 200 | 230 | 290 | 310 | 350 | 400 | 480 | 500 | 600 | 700 | 800 | 900 | 1000 | 1100 | 1300 | 1400 | 1500 |
L | 300 | 300 | 320 | 354 | 350 | 380 | 500 | 580 | 670 | 730 | 820 | 920 | 950 | 1100 | 1200 | 1550 | 1700 |
B | 220 | 270 | 290 | 300 | 320 | 340 | 410 | 450 | 550 | 580 | 630 | 700 | 800 | 900 | 990 | 1120 | 1300 |