工业控制阀系列

国标升降式止回阀

技术规范:

产品型号:H41W/H
公称通径:DN50~400mm
压力范围:PN10~160MPa
工作温度:-196℃~+560℃
主体材质:碳钢、不锈钢、合金钢 
设计制造:GB12236  
结构长度:GB12221    
连接法兰:JB/T79-1994   
试验与检验:JB/T9092-1999

产品详情

360截图163004299412491.jpg

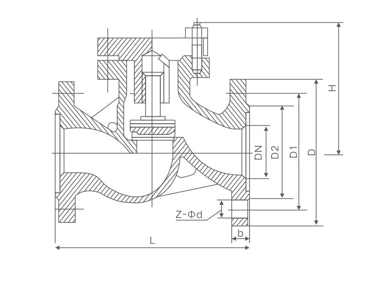
主要外形连接尺寸

公称压力
PN
公称通径
DN
主要连接尺寸 外形
尺寸
L D D 1 D 2 D 6 b f f 1 Z-φd H
1.6MPa 40 200 145 110 85 - 16 2 - 4-18 95
50 230 160 125 100 - 16 2 - 4-18 105
65 290 180 140 120 - 18 2 - 4-18 120
80 310 195 165 135 - 20 3 - 8-18 130
100 350 215 180 155 - 20 3 - 8-18 140
125 400 245 210 185 - 22 3 - 8-12 155
150 480 280 240 210 - 24 3 - 8-23 180
200 600 335 295 265 - 26 3 - 12-23 215


上一个:国标截止阀

下一个:国标楔式闸阀