工业控制阀系列

对夹式多层次金属硬密封蝶阀
技术规范:
产品型号:D373W/H
公称通径:DN50~1200mm
公称压力:PN0.6~10.0MPa
适用温度:≤400℃
适用介质:水、油、气、醋酸类、硝酸类等其他介质
阀体材质:WCB CF8 CF8 铬钼钢 低温钢 镍合金 Monel Duplex Steel
驱动方式:蜗轮传动、电动、气动、液动

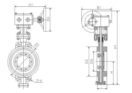
主要外形连接尺寸
PN(6、10)MPa
公称 | 外形尺寸 | 连接尺寸 | |||||||
L | H | D73H/D373H/D673H/D973H | PN0.6MPa | PN1.0MPa | |||||
| H1 | A1 | B1 | D1 | Z-d | D1 | Z-d | |||
| 50 | 43 | 112 | 350 | 180 | 200 | 110 | 4-14 | 125 | 4-18 |
| 65 | 46 | 115 | 370 | 180 | 200 | 130 | 4-14 | 145 | 4-18 |
| 80 | 64 | 120 | 380 | 180 | 200 | 150 | 4-18 | 160 | 8-18 |
| 100 | 64 | 138 | 420 | 180 | 200 | 170 | 8-18 | 180 | 8-18 |
| 125 | 70 | 164 | 460 | 180 | 200 | 200 | 8-18 | 210 | 8-18 |
| 150 | 76 | 175 | 555 | 270 | 280 | 225 | 8-18 | 240 | 8-22 |
| 200 | 89 | 208 | 605 | 270 | 280 | 280 | 12-18 | 295 | 8-22 |
| 250 | 114 | 243 | 680 | 270 | 280 | 335 | 12-22 | 350 | 12-22 |
| 300 | 114 | 283 | 800 | 380 | 420 | 395 | 12-22 | 400 | 12-22 |
| 350 | 127 | 310 | 835 | 380 | 420 | 445 | 16-22 | 460 | 16-22 |
| 400 | 140 | 340 | 915 | 450 | 470 | 495 | 16-22 | 515 | 16-26 |
| 450 | 152 | 380 | 960 | 480 | 490 | 550 | 16-22 | 565 | 20-26 |
| 500 | 152 | 410 | 1020 | 480 | 490 | 600 | 20-22 | 620 | 20-26 |
| 600 | 178 | 470 | 1225 | 480 | 490 | 705 | 20-26 | 725 | 20-30 |
| 700 | 229 | 550 | 1355 | 640 | 660 | 810 | 24-26 | 840 | 24-30 |
| 800 | 241 | 640 | 1470 | 640 | 660 | 902 | 24-30 | 950 | 24-33 |
| 900 | 241 | 710 | 1545 | 750 | 860 | 1020 | 24-30 | 1050 | 28-33 |
| 1000 | 300 | 770 | 1795 | 850 | 900 | 1120 | 28-30 | 1160 | 28-36 |
| 1200 | 360 | 890 | 1965 | 850 | 900 | 1340 | 32-33 | 1380 | 32-39 |
PN(16、25)MPa
公称 | 外形尺寸 | 连接尺寸 | |||||||
L | H | D73H/D373H/D673H/D973H | PN1.6MPa | PN2.5MPa | |||||
| H1 | A1 | B1 | D1 | Z-d | D1 | Z-d | |||
| 50 | 43 | 112 | 350 | 180 | 200 | 125 | 4-18 | 125 | 4-18 |
| 65 | 46 | 115 | 370 | 180 | 200 | 145 | 4-18 | 145 | 8-18 |
| 80 | 49 | 120 | 380 | 180 | 200 | 160 | 8-18 | 160 | 8-18 |
| 100 | 56 | 138 | 420 | 180 | 200 | 180 | 8-18 | 190 | 8-22 |
| 125 | 64 | 164 | 460 | 180 | 200 | 210 | 8-18 | 220 | 8-26 |
| 150 | 70 | 175 | 555 | 270 | 280 | 240 | 8-22 | 250 | 8-26 |
| 200 | 71 | 208 | 605 | 270 | 280 | 295 | 12-22 | 310 | 12-26 |
| 250 | 76 | 243 | 680 | 270 | 280 | 335 | 12-26 | 370 | 12-30 |
| 300 | 83 | 283 | 825 | 380 | 420 | 410 | 12-26 | 430 | 16-30 |
| 350 | 92 | 310 | 900 | 380 | 420 | 470 | 16-26 | 490 | 16-33 |
| 400 | 102 | 340 | 980 | 450 | 470 | 525 | 16-30 | 550 | 16-36 |
| 450 | 114 | 380 | 1030 | 480 | 490 | 585 | 20-30 | 600 | 20-36 |
| 500 | 127 | 410 | 1105 | 480 | 490 | 650 | 20-33 | 660 | 20-36 |
| 600 | 154 | 470 | 1310 | 480 | 490 | 770 | 20-36 | 770 | 20-39 |
| 700 | 165 | 550 | 1435 | 640 | 660 | 840 | 24-36 | 875 | 24-42 |
| 800 | 190 | 640 | 1605 | 640 | 660 | 950 | 24-39 | 990 | 24-48 |
| 900 | 203 | 710 | 1745 | 750 | 860 | 1050 | 28-39 | 1090 | 28-48 |
| 1000 | 216 | 770 | 1885 | 850 | 900 | 1170 | 28-42 | 1210 | 28-56 |
| 1200 | 254 | 890 | 2105 | 850 | 900 | 1390 | 32-48 | 1420 | 32-56 |
上一个:没有了!
下一个:法兰式多层次金属硬密封蝶阀