法兰连接阀门系列

722 自力式(流量)压差控制阀

技术规范:

产品型号:ZYC-16
公称压力:1.6MPa
公称通径:15~125mm
适用介质:水、油等非腐蚀性液体
适用温度:0~100℃
压差控制范围:定压差型 10KPa、20KPa、30KPa 
法兰标准:GB/T 17241.6 GB/T9113
:GB/T 13927 API 598

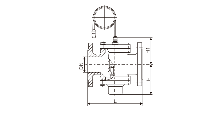
产品详情

主要外形连接尺寸

DN1520253240506580100125
连接方式螺纹法兰
L110110115130200215230275290310
H(mm)定压差型95110130140190205240300350380
流量m3/h0.2-10.3-1.50.5-21-41.5-62-83-125-2010-3015-45